L7805CV Voltaj Regülatörü TO-220 | 5V Sabit Lineer Regülatör
L7805CV, yaygın olarak kullanılan, sabit 5V DC çıkış sağlayan 3 pinli lineer voltaj regülatörüdür. Geniş giriş voltaj aralığı, dahili koruma devreleri ve TO-220 paketi sayesinde hem hobi projelerinde hem de endüstriyel elektronik uygulamalarda güvenle tercih edilir.
Giriş ve çıkış arasındaki fazla enerjiyi ısıya dönüştürerek çalışır. TO-220 metal arka yüzeyi sayesinde pasif soğutma mümkündür; ancak yüksek giriş voltajı – yüksek akım kombinasyonlarında harici soğutucu kullanılması önerilir.
Teknik Özellikler
-
Çıkış Voltajı: Sabit 5V DC
-
Giriş Voltajı: 7V – 35V DC
-
Maks. Çıkış Akımı: 1.5A
-
Voltaj Düşümü (Dropout): ~2V
-
Paket Tipi: TO-220 (DIP)
-
Çalışma Sıcaklığı: -40°C ~ +125°C
-
Hassasiyet: ±%2
-
Koruma Özellikleri:
-
Kısa devre koruması
-
Aşırı sıcaklık (termal shutdown)
-
Akım sınırlama
-
-
Boyutlar: 10 × 14 mm
-
Ağırlık: ~1.5 g
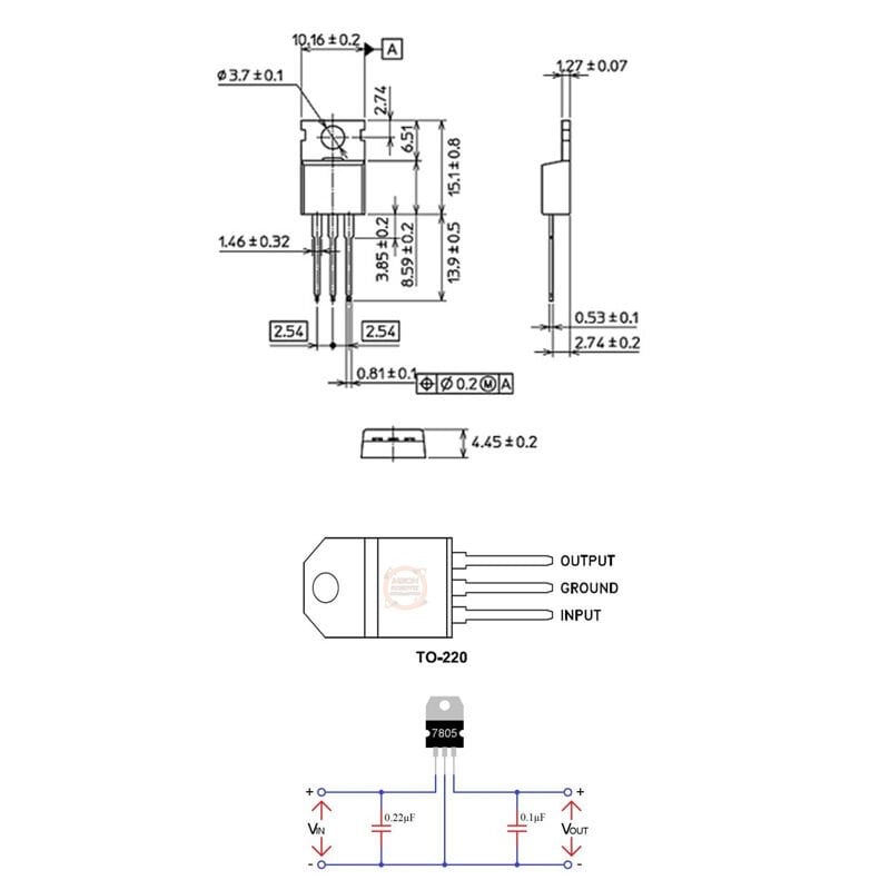
Pin Açıklamaları (Önden Bakış – Yazılar Size Dönükken)
-
Vin – Giriş Besleme (+)
-
GND – Toprak
-
Vout – 5V Çıkış
Kullanım Alanları
-
Arduino ve mikrodenetleyici projeleri
-
Sabit 5V besleme gerektiren elektronik devreler
-
DIY ve eğitim projeleri
-
Sensör, röle ve lojik devre beslemeleri
-
Yüksek veya dalgalı DC kaynaktan stabil 5V elde etme
Paket İçeriği
-
1 Adet L7805CV TO-220 5V Lineer Voltaj Regülatörü
Notlar & İpuçları
-
Giriş–çıkış voltaj farkı arttıkça ısı kaybı da artar
-
1A ve üzeri akımlarda soğutucu kullanılması önerilir
-
Giriş ve çıkış uçlarına 100nF – 10µF kondansatör eklenmesi kararlı çalışmayı artırır
