5 Eksen Mach3 Cnc Usb Kontrol Kartı
100 khz
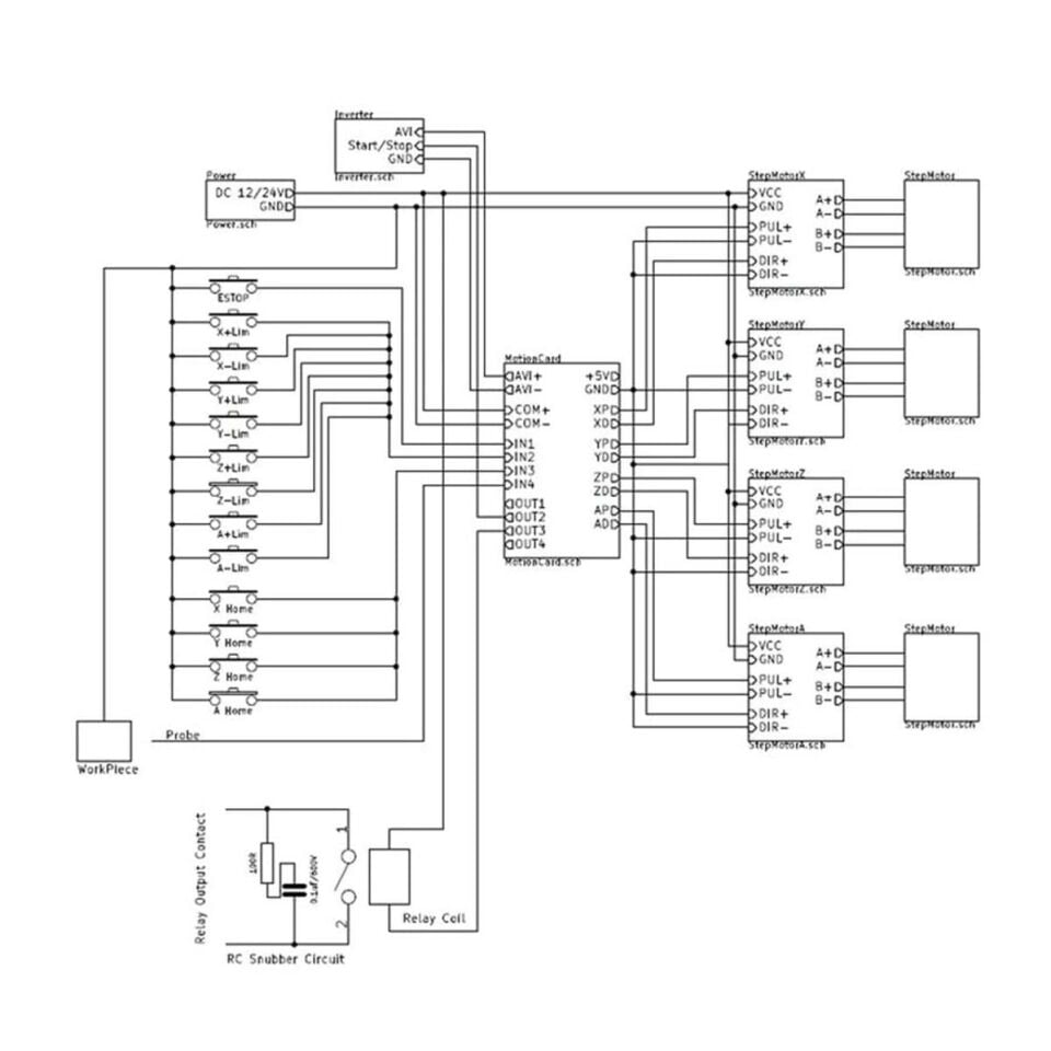
5 Eksen Mach3 Cnc Usb Kontrol Kartı 100 Khz veri bağlantı hızı ile Mach Cnc kontrol yazılımı desteği sunan bu CNC kontrol kartı ile step motorlarınızı kontrol edebilirsiniz. USB port ile devreye güç verebilir ve DB35 paralel port bağlantısıyla devreyi bilgisayara bağlayabilirsiniz. 12-24 volt arasında besleme gücü verebilirsiniz.5 Eksen Mach3 Cnc Usb Kontrol Kartı ile birçok giriş çıkış portuna sahiptir. Step motorlarınızı sürmek için 5 adet çıkışı bulunmaktadır. X-Y-Z Limit pinleri, X-Y-Z eksen yön ve hız pinleri ve birçok fonksiyonun kullanılmasını olanak sağlayan giriş çıkış pinleri bulunmaktadır.
- MACH3 yazılımının çeşitli sürümlerini ve en son sürümünüde destekler
- Tüm giriş sinyalleri led entegre (optokaplür) ile ayrılır ve bilgisayar güvenliğini sağlamak için acil durdurma, takım
ayarı, limit ve sıfır ayarı bağlanabilir. eksen sınır mekanik bir anahtara veya bir yakınlık anahtarına bağlanabilir (normalde NPN ile açık).
- PWM çıkışı (5V ) sağlayın, PWM tarafından kontrol edilen spindle devir hız kontrolörüne bağlanabilir.
- 4 çıkış portları (5V seviyesi) çalışır, optocoupler röle modülü, kontrol su soğutma, sprey ve benzeri ile bağlanabilir
- 5 eksenli arayüz kablosu soketi (XH2.54) sağlar, bağlanması kolaydır.
- Optokuplör izole 0-10V analog voltaj çıkışı ile tüm yol, 0-10V analog voltaj giriş invertörünü kontrol edebilir, mil hızını kontrol edebilirsiniz.
5 Eksen Mach3 Cnc Usb Kontrol Kartı Driver için Tıklayınız
